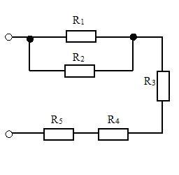
Напряжение, приложенное к цепи, U=120 В. Сопротивления резисторов R1=24 Ом; R2=6 Ом; R3=6 Ом; R4=4 Ом; R5=8 Ом
Определите эквивалентное сопротивление цепи, величину тока всей цепи и на каждом резисторе. Укажите направления токов в резисторах. Составьте уравнение баланса мощностей.
Приложения:

Ответы
Ответ дал:
0
Ответ:
Rэ=22.8Ом, I=5.263A, I1=1.052A, I2=4.21A,, I3=I4=I5=5.263A
Объяснение:
R1,2=4.8Om,
Rэ=4.8+6+4+8=22.8Ом,
I=U/Rэ=120/22.8=5.263А, U1=U2=I*R1.2=5.263*4.8=25.263В, I1=25.26/24=1.052A, I2=25.263/6=4.21A,
I3=I4=I5=5.263A,
Баланс: U*I=I²*R1,2+I²*R3+I²*R4+I²*R5..
120*5.263=631.57ВА , 5.263²*4.8+5.263²*6+5.263²*4+5.263²*8=631.57ВА,
направление токов: сверху -вправо, потом -вниз, и влево
Вас заинтересует
2 года назад
2 года назад
7 лет назад
9 лет назад