Ответы
Ответ дал:
2
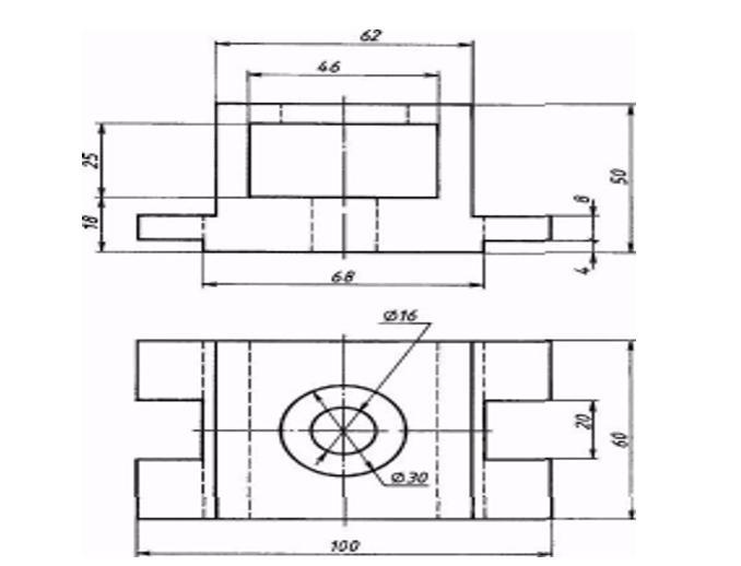
Построена третья проекция.
Только проблема с размерами - они все даны на предыдущих проекциях, а по правилам черчения размеры не должны повторяться.
Может тогда некоторые размеры перенести для более равномерного их распределения.
Приложения:

ata221:
https://znanija.com/task/39703336 помогите, пожалуйста, с геометрией, 60 б
Вас заинтересует
2 года назад
2 года назад
2 года назад
2 года назад
7 лет назад
7 лет назад
9 лет назад
9 лет назад