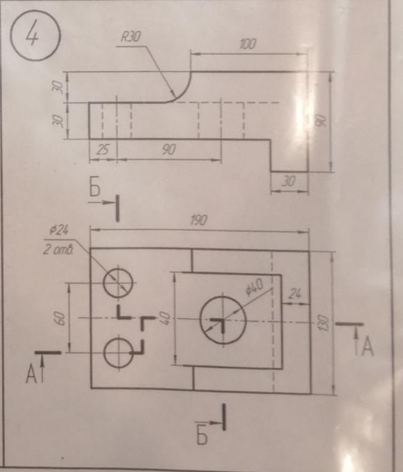
Построить вид слева. Выполнить указанные разрезы. Построить аксонометрическое изображение с четвертым вырезом.

Ответы
Ответ:
Построение третьего вида и изометрии детали с вырезом см. на фото 1.
Построение разрезов фронтального А-А и профильного Б-Б см. на фото 2.
Объяснение:
На фото 1 обратите внимание на достроенную штриховую линию на виде спереди. её на чертеже почему-то нет.
На изометрической проекции не получится вырезать 1/4 детали, т.к. деталь имеет только одну ось симметрии. Можно дойти секущей плоскостью до центра отверстия и повернуть под углом 90°. Справа вертикальная секущая плоскость пройдёт немного дальше, чем начало скругления. Для штриховки см. перпендикуляры на осях ОХ и ОУ. Секущую плоскость ХZ надо штриховать перпендикулярно оси ХZ, а секущую плоскость УZ надо штриховать перпендикулярно оси ОХ.
Совет: сначала расставьте размеры, а затем покажите разрезы А-А и Б-Б.
Я забыла подписать разрезы около соответствующих видов. Над видом спереди напишите А-А и подчеркните, а над видом слева напишите Б-Б и также подчеркните.
Кажется пояснила всё. Надеюсь, что смогла вам помочь.

