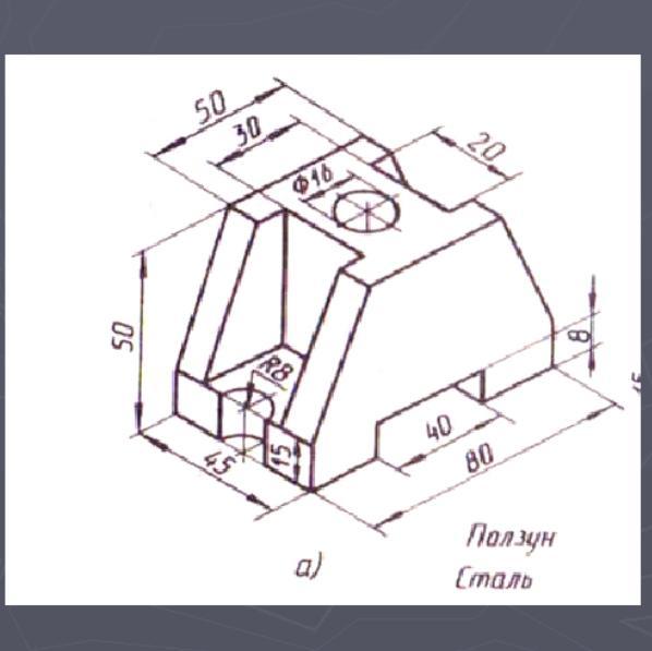
Помогите срочно!!! Выполнить проекции на три плоскости. Вид спереди, вид слева, вид сверху.
Приложения:

Ответы
Ответ дал:
1
Ответ:
Объяснение:
+++++++++++++++++++++++++
Приложения:

Вас заинтересует
2 года назад
2 года назад
7 лет назад
7 лет назад
9 лет назад
9 лет назад