Решить 2 задачки:
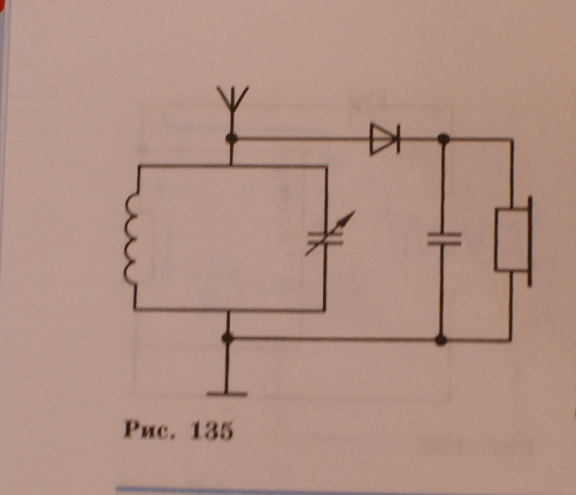
1) В схеме радиоприёмника, изображённого на рисунке 135, L=2·10⁻⁴ Гн, ёмкость С переменного конденсатора может меняться от 12 до 450 пФ. На какие длины волн рассчитан этот радиоприёмник?
2) На рисунке 145 изображена приёмная антенна телевизора. Что можно сказать об ориентации колебаний вектора магнитной индукции волны, идущей из телецентра?
Приложения:


Ответы
Ответ дал:
0
1. λ₁=

Объединяя эти формулы получим формулы
λ₁=
λ₂=
λ₁=92,3 м
λ₂=565,2 м
λ=(92,3÷565,2)м
2. Магнитная индукция колеблется по вертикальной плоскости, потому что на неподвижные электроны по горизонтали момент действовать лишь вектор электрической напряженности
Объединяя эти формулы получим формулы
λ₁=
λ₂=
λ₁=92,3 м
λ₂=565,2 м
λ=(92,3÷565,2)м
2. Магнитная индукция колеблется по вертикальной плоскости, потому что на неподвижные электроны по горизонтали момент действовать лишь вектор электрической напряженности
Вас заинтересует
2 года назад
2 года назад
8 лет назад
8 лет назад
10 лет назад
10 лет назад
10 лет назад