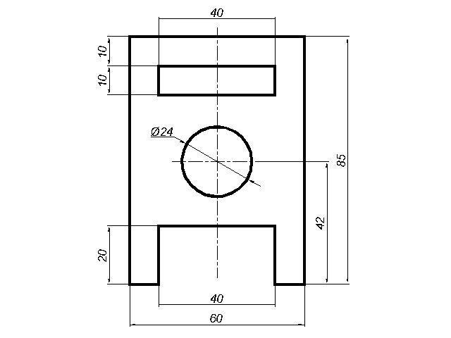
Даю 50 баллов , черчение , нужно сделать рисунок 2:1 то есть больше и нарисовать деталь полностью как показано на фото
Приложения:
Ответы
Ответ дал:
1
Ответ:
Объяснение:
+++++++++++++++++++++++++
Приложения:
Вас заинтересует
2 года назад
3 года назад
3 года назад
8 лет назад
8 лет назад