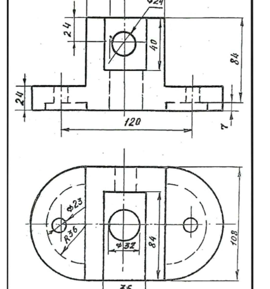
Объёмная фигура. Должна получится , помогите пожалуйста

Приложения:

Ответы

Ответ дал: kraskomariya27
0

Відповідь:

прямоугольник и полукруг

Вас заинтересует