Очень нужна ваша помощь! Те, кто знают в черчении, помогите(
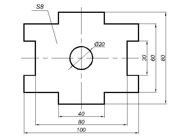
Выполните чертёж *плоской* детали по наглядному изображению.
Нужен масштаб 1:2
Приложения:
Ответы
Ответ дал:
1
Ответ:
Объяснение:
При масштабе 1:2 деталь чертится в два раза меньше, но при постановке размеров указывают натуральную величину.
Приложения:
officialdam:
спасибо, а с какого сайта взял?
Вас заинтересует
2 года назад
3 года назад
3 года назад
9 лет назад