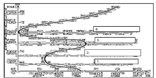
1. Определите по графику слои атмосферы и объясните особенность каждого слоя.
Приложения:

liluba701:
можешь правильный ответ сказать
Ответы
Ответ дал:
71
Ответ:
1) Тропосфера - понижение температуры .
2) Стратосфера - регулировка кислорода. Озоновый слой - защищает от ультрафиолетовых лучей.
3) Мезосфера - годовое изменение температуры обратное: летом наблюдаются минимальные значения, а зимой – максимальные.
4) Термосфера - появление атомного кислорода, а также сильная ионизация.
Вас заинтересует
2 года назад
2 года назад
7 лет назад