Графическая работа N 14
Чертеж детали с применением разреза
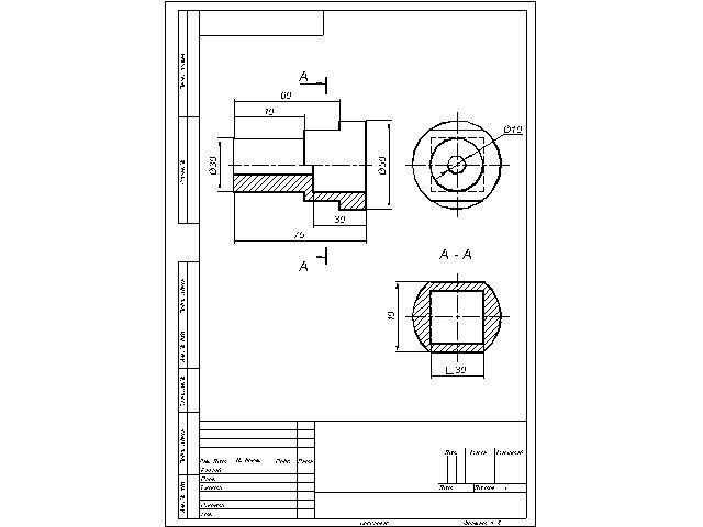
На листе формата А4 выполните вид слева и постройте целе сообразный разрез одной из деталей (рис. 201а). Нанесите размеры.
быстрее
Приложения:
Ответы
Ответ дал:
67
Ответ:
Объяснение:
Главный вид выполнила как 1/2 вида + 1/2 фронтального разреза.
А-А - сечение, которое показывает, что внутреннее отверстие имеет квадратную форму и на внешнем диаметре 50 мм сняты лыски под размер 40 мм.
Приложения:
Вас заинтересует
2 года назад
2 года назад
2 года назад
8 лет назад
8 лет назад