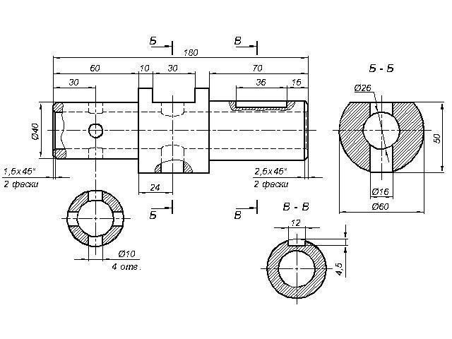
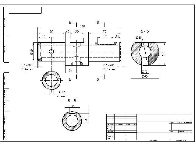
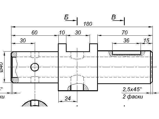
Построить на формате А3 по своему варианту главный вид вала. Вид слева не чертить, а использовать для выполнения сечений, предусмотренных в задании.
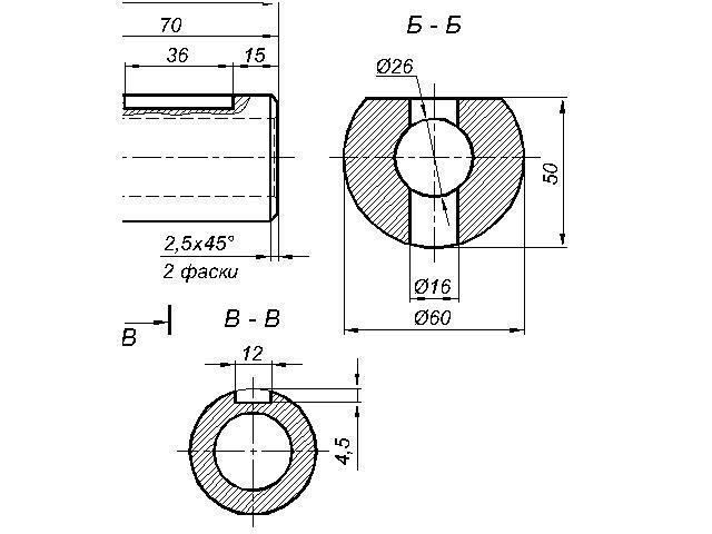
Сечение плоскостью А расположить на продолжении следа секущей плоскости (оно не обозначается). Сечение плоскостью Б расположить в проекционной связи на виде слева (оно получит обозначение Б–Б. Сечение плоскостью В расположить на свободном поле чертежа (оно получит В-В).). Заштриховать сечения. Затем выполнить обводку чертежа. Проставить размеры.

ДАЮ 35 БАЛЛОВ.
ПОМОГИТЕ СДЕЛАТЬ ИНЖЕНЕРНУЮ ГРАФИКУ...

Приложения:

Букса: Ваше задание верхнее или нижнее?
amazfit738gts: нижнее
malaakata903: Помогите пожалуйста с черчением, задание в профиле
natalyatu02: Помогите пожалуйста с Черчением, у меня в профиле задание одно есть

Ответы

Ответ дал: Букса
3

Ответ:

Объяснение:

Обратите внимание: на главном виде выполнила несколько местных разрезов, т.к. размеры не указывают по невидимым линиям.

Приложения:

amazfit738gts: СПАСИБО
Букса: УДАЧИ!!!
natalyatu02: Помогите с заданием в профиле, там нужно разрезы сделать прошу вас
natalyatu02: Очень срочно нужно
Вас заинтересует