Ответы
Ответ дал:
2
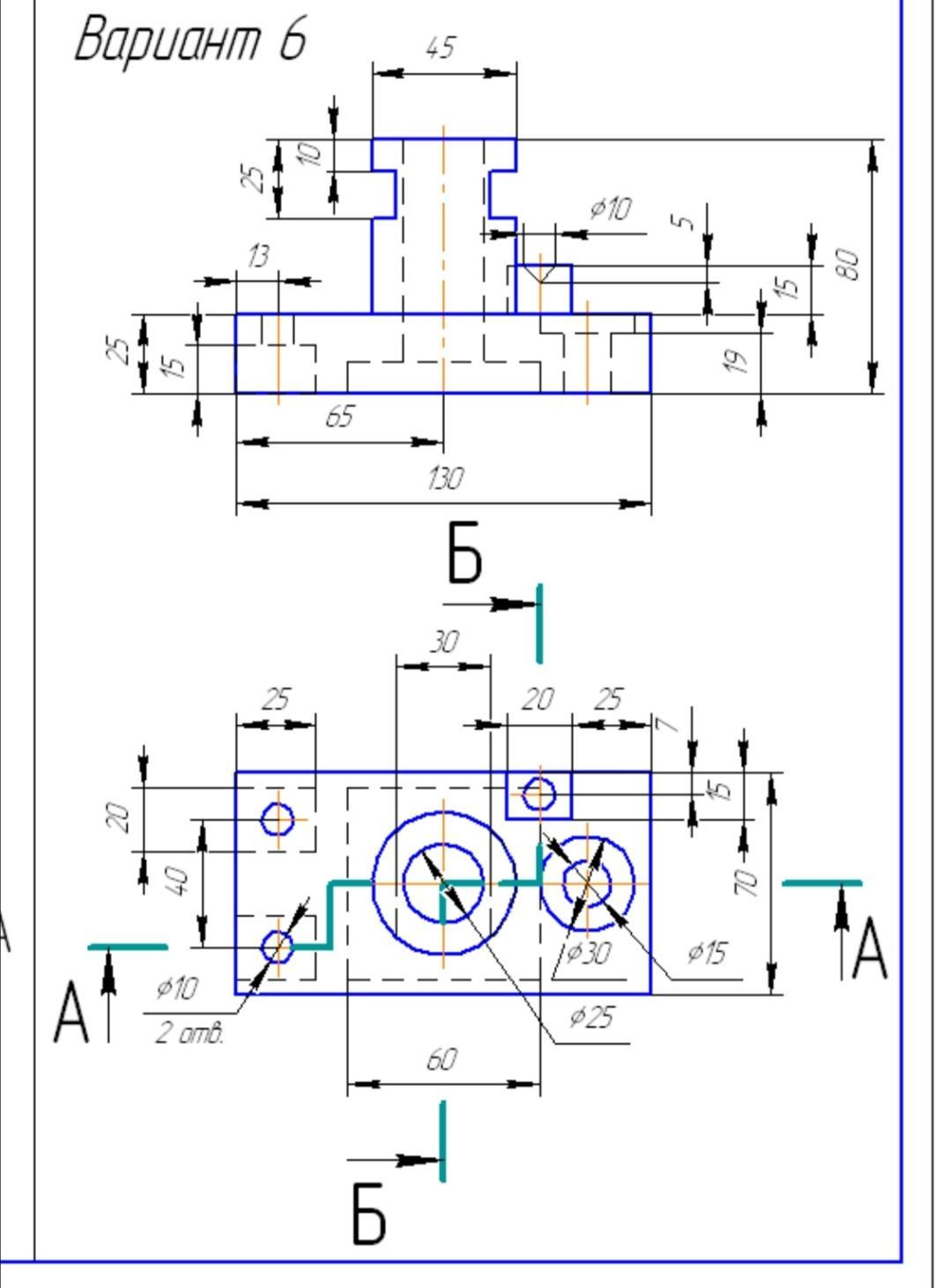
Ответ: Эскиз чертежа полностью и отдельно по проекциям см. на фото.
На заданном чертеже есть недочёты:
1) Для прямоугольной выемки на дне детали указана длина 60, но не указана ширина. Я добавила значок квадрата.
2) Для вертикального цилиндра указан размер 45, но нет значка "диаметр" перед цифрами 45.
3) Не указан размер удаления оси сквозного ступенчатого отверстия справа детали от края детали по длине.
Очень хочу надеяться, что не ошиблась при выполнении разрезов и смогла вам помочь.
Приложения:
Вас заинтересует
2 года назад
2 года назад
3 года назад
3 года назад
8 лет назад
8 лет назад