Ответы
Ответ дал:
2
Ответ:
Объяснение:
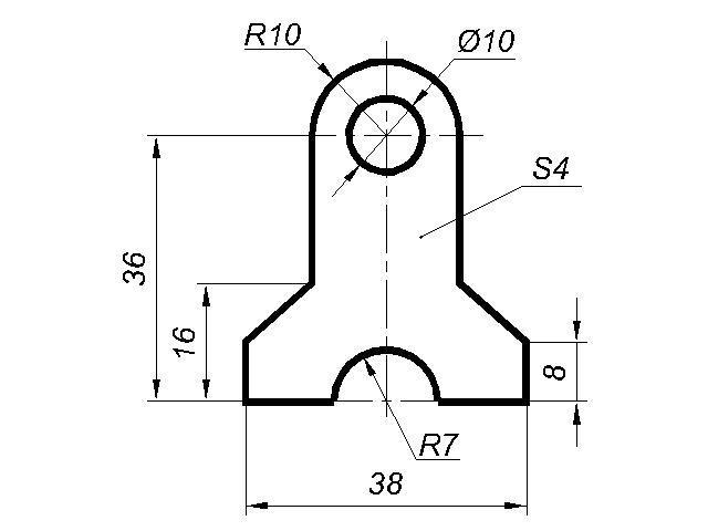
1. Размер нужно указать от общей базы, а не от центра окружности (поменяла 20 на 16).
2. Толщина детали указывается с буквой S ( 4 поменяла на S4).
3. Необходимо избегать пересечений размерных и выносных линий (размеры 14 и 38. на втором чертеже показала как нужно сделать).
Хочу заметить, что на данном чертеже размер 14 указывать не нужно, т.к. есть размер R7 (радиус).
4. Желательно, подчеркиваю желательно, размеры выносить за контур детали - это относится к R7.
5. Отверстие - указывается размер диаметра (R5 исправила на Ф10).
6. Отсутствует размерная линия (8).
Приложения:


Вас заинтересует
2 года назад
2 года назад
2 года назад
2 года назад
7 лет назад
7 лет назад
9 лет назад