Пж помогите с черчением
(9 класс)
ЧЕРЧЕНИЕ, ЧЕРЧЕНИЕ, ЧЕРЧЕНИЕ, ЧЕРЧЕНИЕ СРОЧНО НАДО.
Приложения:
Ответы
Ответ дал:
0
Ответ:
Объяснение:
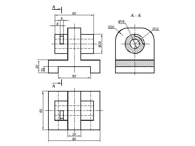
Вид слева заменила разрезом А-А.
Приложения:
Вас заинтересует
2 года назад
2 года назад
3 года назад
8 лет назад
8 лет назад
9 лет назад