• Предмет: Физика
  • Автор: ryazanovgrigorenco
  • Вопрос задан 3 года назад

[Электротехника]: ПОМОГИТЕ ПОЖАЛУЙСТА РЕШИТЬ КОНТРОЛЬНУЮ РАБОТУ
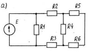
Нужно рассчитать методом «свертывания» электрическую цепь со смешанным соединением сопротивлений, определять эквивалентное сопротивление, мощность электрической цепи, напряжение и силу тока на каждом резисторе, ЭДС источника.

НУЖНО РЕШИТЬ ВАРИАНТ №21.

Приложения:

Ответы

Ответ дал: MrYurike
1

Ответ:

R₅₆=R₅+R₆=360 Ом;

R₄-₆=(R₄*R₅₆)/(R₄+R₅₆)=90 Ом;

R₂-₆=R₂+R₃+R₄-₆=180 Ом;

Rэ=R₁-₆=(R₁*R₂-₆)/(R₁+R₂-₆)=60 Ом;

U₄=I₄*R₄=108 B;

I₅=I₆=U₄/R₅₆=0,3 A;

U₅=I₅*R₅=67,5 B;

U₆=I₆*R₆=U₄-U₅=40,5 B;

I₂=I₃=I₄+I₅=1,2 A;

U₂=I₂*R₂=72 B;

U₃=I₃*R₃=36 B;

U₁=U=U₂+U₃+U₄=216 B;

I₁=U/R₁=2,4 A;

I=I₁+I₂=3,6 A;

ℰ=U+I*r₀=221,4 B;

P=U*I=777,6 Вт.

Объяснение:


ryazanovgrigorenco: Если не сложно, можете пожалуйста написать буквами, что нужно найти было?
Вас заинтересует