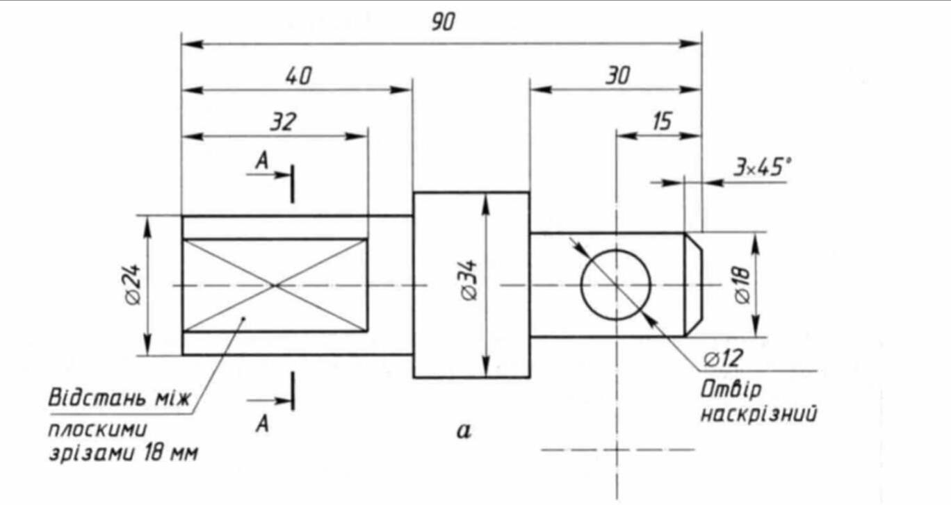
Потрібно виконати переріз (А), користуючись наведеними даними. Буду дуже вдячний. Даю 68 балів
Приложения:

Ответы
Ответ дал:
1
Ответ:
На свободном поле чертежа выполните окружность диаметром 24 мм по бокам срежьте окружность так, чтобы расстояние между вертикальными плоскостями было 18 мм. Выполните штриховку и обозначьте сечение А-А. См. фото 1.
Второе сечение надо выполнить на продолжении секущей плоскости. Диаметр окружности 18 мм и продольны вырез с расстоянием между горизонтальными линиями 12 мм. См. фото 2. Дополнительно обозначать его не надо.
Приложения:


kozubkostantin:
Как я могу с вами связаться? Мне нужно кое-что уточнить в черчении.
Вас заинтересует
2 года назад
2 года назад
2 года назад
2 года назад
7 лет назад
7 лет назад
9 лет назад