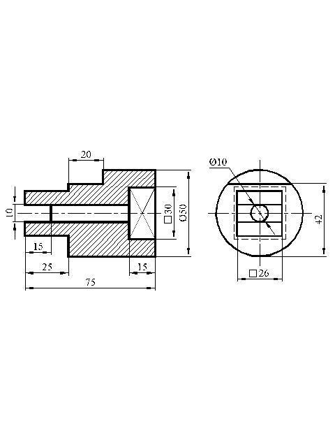
По наглядному изображению и словесному описанию детали выполните чертеж детали в необходимом количестве видов и целесообразный разрез, На чертеже нанесите размеры.
ПОМОГИТЕ ПОЖАЛУЙСТА!!!
Приложения:
Ответы
Ответ дал:
2
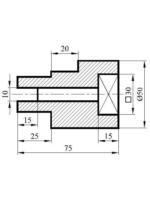
Ответ:
Объяснение:
Вид спереди (главный вид) заменила фронтальным разрезом.
Начертила вид слева.
Размер лыски указала не 8 мм , а 42 мм - просто при измерении легче проверить размер 42.
Приложения:
Вас заинтересует
2 года назад
2 года назад
2 года назад
8 лет назад
8 лет назад
9 лет назад
9 лет назад