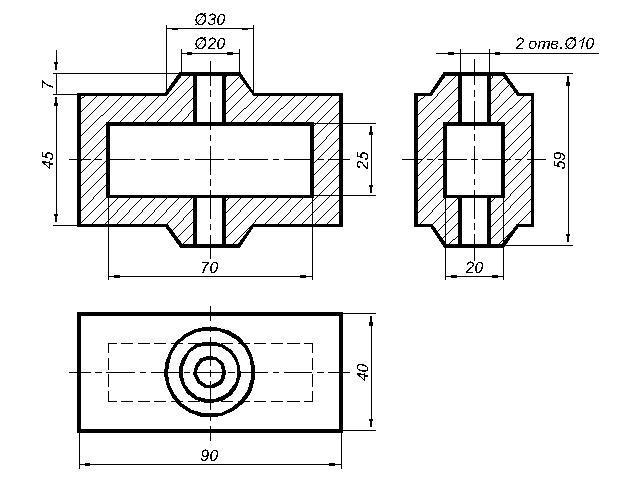
Нужно построить изометрию. Дам 100 баллов, тому кто правильно ответит. Помогите нарисовать, пожалуйста. Задание на фото ниже
Приложения:

Букса:
Вы уверены, что нужна изометрия, а не три вида с разрезами?
Ответы
Ответ дал:
0
Ответ:
Объяснение:
++++++++++++++++++++++
Приложения:



Ответ дал:
1
Ответ:
Изображение изометрии детали, указанной в текстовом описании,
см. на фото. Оно выполнялось в масштабе 1:2. Показаны невидимые линии, т.к внутри детали есть полость. Усечённые конусы имеют небольшую высоту, поэтому усечённый конус внизу детали остаётся невидимым.
Надеюсь, что помогла вам.
Приложения:

Вас заинтересует
2 года назад
2 года назад
2 года назад
2 года назад
7 лет назад