Помогите выполнить чертеж вала по рисунку, выполнить необходимые изображения, нанести недостающие размеры
Приложения:
Ответы
Ответ дал:
1
Ответ:
Объяснение:
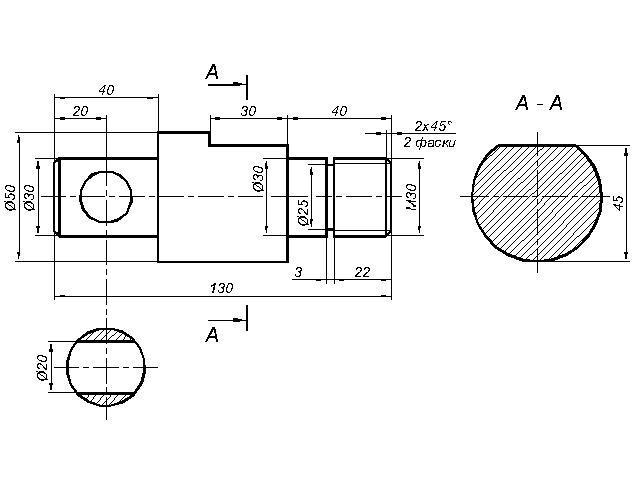
Выполнила два выносных сечения. Одно сечение расположено на продолжении следа секущей плоскости (без обозначения), а другое построено в проекционной связи с видом (А-А).
Взяла метрическую резьбу с диаметром 30 мм (М30) с крупным шагом 3,5 мм (в обозначении резьбы крупный шаг резьбы не указывают).
Приложения:
Букса:
Если нужно сделать на этом чертеже еще что-то, напишите побыстрее, пока могу внести изменения.
Нет, больше ничего не нужно. Спасибо огромное. Я надеюсь что это правильно?
Я тоже надеюсь.
Вас заинтересует
2 года назад
2 года назад
2 года назад
8 лет назад
8 лет назад
9 лет назад