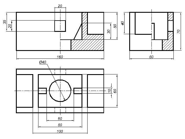
разрезы простые.
1. Построить вид слева;
2. Выполнить фронтальный и профильный
разрезы детали, совместив половину вида с
половиной разреза;
3. Проставить размеры.
Приложения:
Ответы
Ответ дал:
1
Ответ:
Объяснение:
+++++++++++++++++++
Приложения:
Вас заинтересует
2 года назад
2 года назад
3 года назад
8 лет назад
8 лет назад
9 лет назад