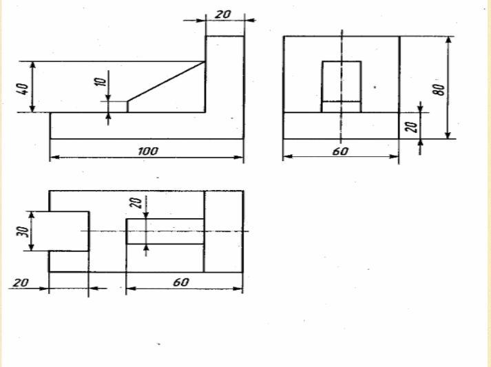
Выполнить чертёж детали в рабочей тетради.
Масштаб детали М 1:1
Выдержать размеры и линии чертежа.
Приложения:

Ответы
Ответ дал:
1
Ответ: Этот чертёж надо просто срисовать
Объяснение: дубиба
Вас заинтересует
2 года назад
2 года назад
2 года назад
8 лет назад
8 лет назад
9 лет назад