Помогите начертить с 1 рисунком, как показано на примере с другой фотки
Приложения:
Букса:
Извините, но не видно размеров.
Ответы
Ответ дал:
1
Ответ:
Объяснение:
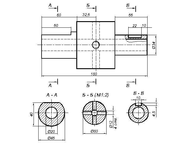
Первый чертеж - выполнила, как Вы просили.
Второй чертеж выполнен более правильно, т.к. сделан усеченный вид сверху (в окружности красного цвета), на котором видно строение паза под шпонку (указан радиус).
Надеюсь, взяла правильные размеры.
Приложения:
Вас заинтересует
2 года назад
2 года назад
3 года назад
3 года назад
8 лет назад
9 лет назад