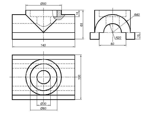
построить три вида модели
(главный вид взять по направлению стрелки, вид сверху и вид слева) и
изометрию. Изометрию выполнить на обратной стороне листа или на другом
формате. Обозначить размеры.
Приложения:

Ответы
Ответ дал:
1
Ответ:
Объяснение:
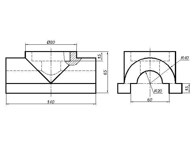
На главном виде сделала местный разрез, т.к. размеры не указывают по невидимым (штриховым) линиям.
Приложения:




Вас заинтересует
2 года назад
2 года назад
2 года назад
8 лет назад
8 лет назад