• Предмет: Физика
  • Автор: playgame06
  • Вопрос задан 3 года назад

Как решите эти задачи по физике 10 класс?

Приложения:

Ответы

Ответ дал: evgenchpu
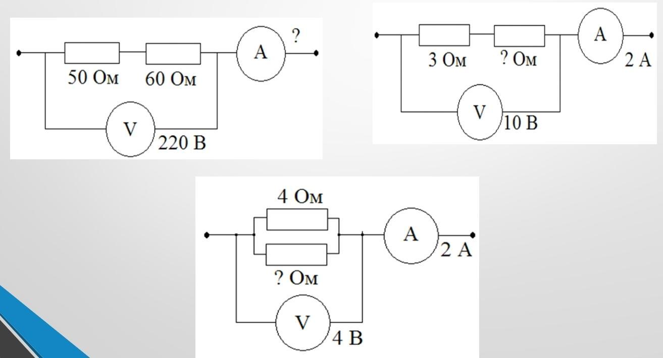
2

Ответ:

1,   I=2A       2.  R=2 Ом       3.  R=4 Ом

Объяснение:

по закону Ома: ток в проводнике прямо пропорционален напряжению на его концах и обратно пропорционально его сопротивлению.  I=\frac{U}{R}  

1 цепь.   ток в цепи  I=?   I= \frac{U}{R} = \frac{220}{50+60} = \frac{220}{110} = 2  (A)

2 цепь.  При последовательном соединении проводников ток в цепи равен току на каждом элементе цепи

 I=\frac{U}{R}    R=R_{1} + R_{2}  = \frac{U}{I}       Rx_{2} =\frac{U}{R} -Rx_{1} =  \frac{10}{2} - 3 = 2   Ом

3 цепь.  При параллельном соединении проводников ток в цепи равен сумме токов на каждом элементе,  при общем напряжении.

I_{1} = \frac{U}{R_{1} }     I_{2} = \frac{U}{R_{2} }     I = \frac{U}{R_{1} }+ \frac{U}{R_{2} }     R_{2} = U/ (I-\frac{U}{R_{1} } ) = 4/ (2-\frac{4}{4 } )= 4/1 = 4  Ом

Вас заинтересует