• Предмет: Физика
  • Автор: anehkadetskina
  • Вопрос задан 3 года назад

Суперзадание
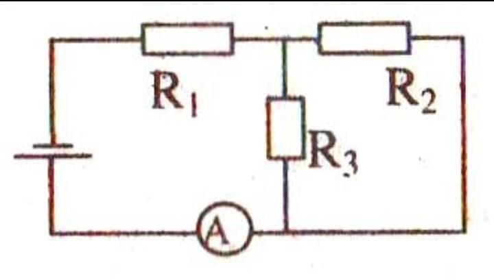
Рассматривая амперметр как третий проводник, соединенный по-
следовательно с двумя резисторами, измерьте напряжение на нем.
Изобразите в тетради схему цепи, запишите результаты измерения
и объясните их.​

Ответы

Ответ дал: Аноним
7

сопротивление в амперметре должно быть много меньше чем в резисторах , ну скажем близким к 0 - для того чтобв не влиять на измерение силы тока в цепи , тогда из формулы видем :

U = I * R = I * O = 0 - напряжение на амперметре очень близко к 0 .

Приложения:

Аноним: Сделай лучшим ответом Пж , Стремлюсь к Званию "Умный"
Аноним: Спасибо Большое ❤
Вас заинтересует