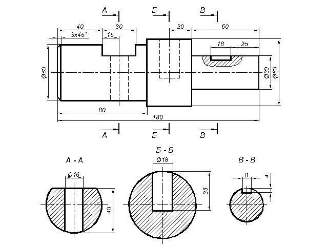
Чертёж вала начертить пожалуйста
Приложения:

JekyllHyde:
Привет. Мне нужна твоя помощь. Можешь, пожалуйста, пожаловаться на мои последние 4 вопроса.
Ответы
Ответ дал:
0
Ответ:
Объяснение:
+++++++++++++++++++++
Приложения:

Вас заинтересует
2 года назад
2 года назад
8 лет назад
8 лет назад
9 лет назад