• Предмет: Физика
  • Автор: Аноним
  • Вопрос задан 3 года назад

(4)

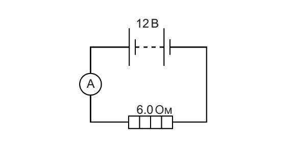
3. . На рисунке ниже показана цепь, включающая в себя источник питания с напряжением 12 В и нагреватель, имеющий сопротивление 6 Ом.



(a) Запишите, что понимается под словом «напряжение»?

...................................................................................................................................................

(b) (i) Вычислите силу тока, протекающего через нагреватель.

Сила тока = .........................................................

(ii) Запишите название частиц, протекающих через нагреватель.

.......................................................................................................................................

(iii) Укажите стрелкой рядом с нагревателем направление движение частиц, проходящих через него.

(c) Вычислите, какое количество теплоты выделится за 10 минут работы нагревателя.

Количество теплоты = .........................................................

Приложения:

Ответы

Ответ дал: aykaa02
2

Ответ:

1) Величина, характеризуемая работой электрических сил при перемещении единичного электрического заряда из одной точки электрического поля в другую.

2) I=U/R=12/6=6

iii 3) Q=IUT=6*12*10= 720


BRRVTN: лол
BRRVTN: 12:6=6 ну ты даешь, аж смеятся охото
Вас заинтересует