ДАЮ 50 БАЛЛОВ!!! Зачем в определении последовательного соединения накладывается дополнительное условие на точку соединения выводов? Определение: Два элемента, имеющих по два вывода у каждого, называются соединёнными последовательно, если есть точка соединения одного вывода первого элемента с одним выводом второго элемента и к этой точке больше ничего не подключено, либо если есть
Ответы
Ответ дал:
4
Ответ:
Объяснение:
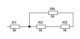
Так как при последовательном соединении токи в обоих элементах одинаковы. Если к средней точке будет подключен еще один элемент (и второй его конец подключен к цепи) то токи в последовательно подключенных элементах будут разные, а значить соединение нельзя назвать последовательным.
резисторы 2 и 3 подключены последовательно, а вот 1 и 2 или 1 и 4 уже нельзя назвать последовательным соединением.
Приложения:

Вас заинтересует
2 года назад
2 года назад
2 года назад
8 лет назад
8 лет назад
9 лет назад