Очень срочно!!
Помогите пожалуйста..
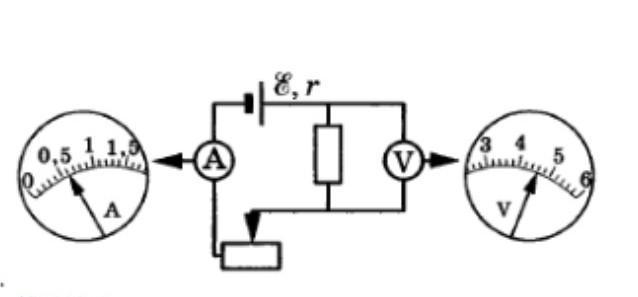
При выполнении лабораторной работы приборы показали следующие результаты. Вычислите сопротивление резистора.
А) рассчитайте погрешность приборов
Амперметра__________________________________________________
Вольтметра__________________________________________________
В) запишите показания приборов с учетом погрешности
I(A)
V(B)
С) Рассчитайте сопротивление прибора
____________________________________________
Приложения:

Ответы
Ответ дал:
112
Ответ:
А) Амперметр -0,05А
Вольтметр- 0,1В
В) Амперметр- 0,65А
Вольтметр-4,7В
С) R=U/I
R=4,7/0,65≈7,2 Ом (это с погрешностью)
R=4,6/0,6≈7,7 Ом ( это без погрешности)
lifeisdonotgood14:
а можете и вольтметр расписать?
Вас заинтересует
2 года назад
2 года назад
2 года назад
8 лет назад
8 лет назад
9 лет назад