• Предмет: Физика
  • Автор: Erbolat2705
  • Вопрос задан 3 года назад

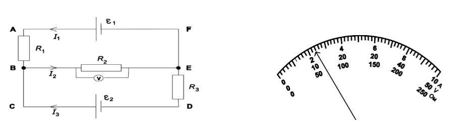
Из источников тока с ЭДС ε1=14 B и ε2=14 B и резисторов с сопротивлениями R1=1 Ом, R2 =2 Ом и R3=2 Ом ,собрали электрическую цепь, как показано на рисунке.
Силы тока на участках обозначены как І1, І2 и І3 соответственно. Показание вольтметра на резисторе R2 приведено на рисунке.

а)Определите по рисунку показаниевольтметра. U2 =?
и рассчитайте силу тока, проходящего через резистор R2 = 2 Ом:
I2 =? [1]
с) Напишите уравнение для цепи, представленной на рисунке, применив первое правило Кирхгофа (для узлаВ).[1]
d) Напишите уравнения, применив второе правило Кирхгоффа для контураABEFA
и для контураABСDEFA и найдите J1и J3. [1]​

Приложения:

Ответы

Ответ дал: DedStar
14

Ответ:

Объяснение:

Дано:

ε₁ = 14 В

ε₂ = 14 B

R₁ = 1 Ом

R₂ = 2 Ом

R₃ = 2 Ом

__________

U₂ - ?

I₂ - ?

Составить уравнения Кирхгофа.

I₁ - ?

I₃ - ?

а)

Определите по рисунку показание вольтметра:

U₂ = 12 B.

Сила тока: через резистор R₂:

I₂ = U₂ / R₂ = 12 / 2 = 6 A        (1)

c)

Напишем  уравнение для цепи, представленной на рисунке, применив первое правило Кирхгофа (для узла В):

I₁ - I₂ + I₃ = 0

С учетом (1):

I₁ + I₃ = 6 A   (2)

d)

Напишем уравнение, применив второе правило Кирхгофа для контура ABEFA:

I₁R₁ + I₂R₂ = ε₁

1·I₁ + 6·2 = 14

I₁ = 2 А

Тогда, с учетом (2)

I₃ = I₂ - I₁ = 6 - 2 = 4 А

Напишем уравнение, применив второе правило Кирхгофа для контура ABCDEFA:

I₁R₁  - I₃R₃ = ε₁ - ε₃

Приложения:
Вас заинтересует