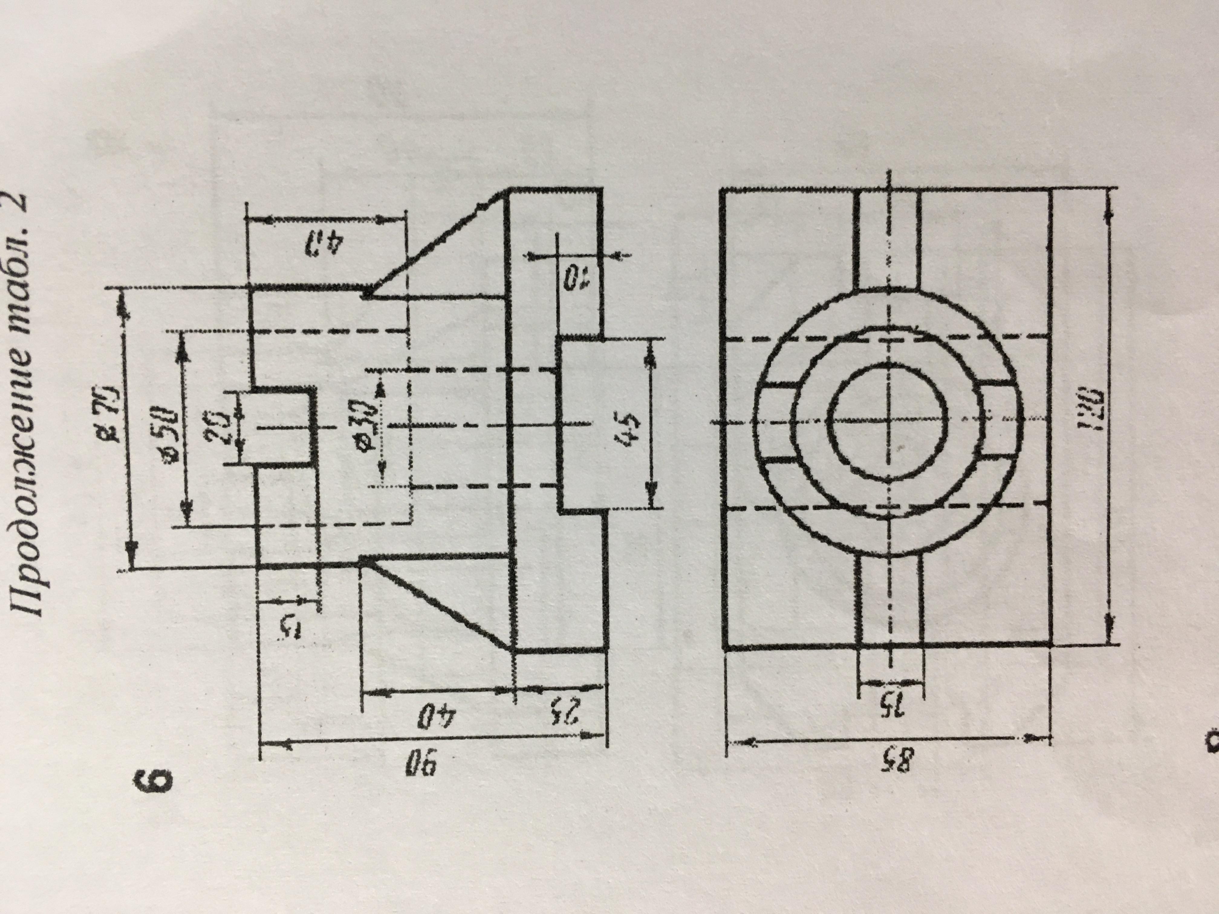
Помогите пожалуйста с начертательной геометрией, по 2 видам построить третий вид и выполнить полезные разрезы (фронтальный и профильный). Половина вида с половиной разреза.
Приложения:
Ответы
Ответ дал:
1
Ответ:
Объяснение:
++++++++++++++++++++++++++
Приложения:
Вас заинтересует
2 года назад
2 года назад
3 года назад
8 лет назад
8 лет назад
9 лет назад