• Предмет: Физика
  • Автор: juliabolgarska
  • Вопрос задан 3 года назад

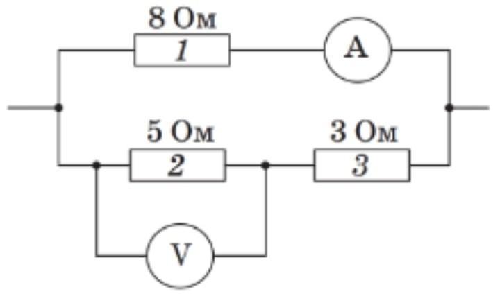
на рисунку подано схему ділянки електричного кола. скориставшись даними рисунка визначте показ амперметра, якщо вольтметр показує 5 В помогите пожалуйста ​

Приложения:

Ответы

Ответ дал: 00000000O
29

Ответ:

Объяснение:

1. Находим ток во втором резисторе I2=U2/R2=5В/5Ом=1А

2. Находим сопротивление второго и третьего R(23)=2Ом+3Ом=5Ом

3. Находим напряжение на нижнем участке U(23)=I(23)*R(23)=1А*8Ом=8В

4Оно равно напряжению на верхнем участке(параллельное включение) U(23)=U1=8В

5. Находим ток в первом резисторе I1=U1/R1=8В/8Ом=1А


17angelina17: / это значит : или это рыска дроби?
Вас заинтересует