• Предмет: Физика
  • Автор: nai3009mirz
  • Вопрос задан 3 года назад

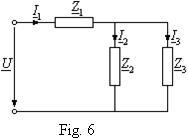
Який опір усієї ділянки кола? Усі опори мають величину 2 Ом

Приложения:

Ответы

Ответ дал: liza248657
1
Может быть 6 ом, а может и нет..
Вас заинтересует