ЧЕРЧЕНИЕ 8 КЛАСС.85 БАЛЛОВ.
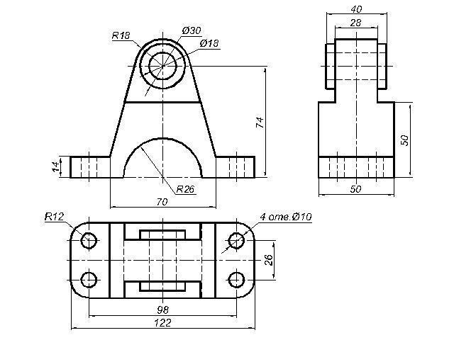
Нужны проекции и изометрия с вырезом 1/4. Также особенно интересует обозначение выноски на 1 фото(выделила).
Приложения:


Ответы
Ответ дал:
2
Ответ:
Объяснение:
Выделенное красным цветом в Вашем задании - неполный вид сверху. Сейчас я начертила вид сверху полностью и на втором чертеже выделила этот момент красным цветом.
Приложения:





Вас заинтересует
2 года назад
2 года назад
2 года назад
8 лет назад
9 лет назад