Ответы
Ответ дал:
1
Ответ:
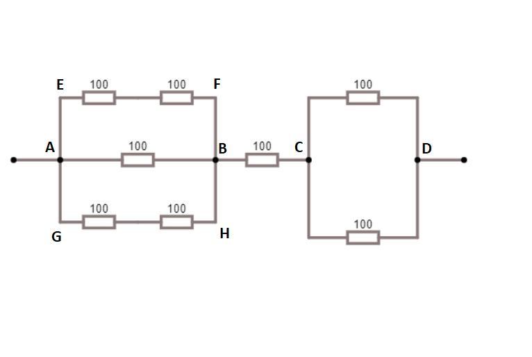
200 Ом
Объяснение:
Сопротивление всей цепи резисторов равно сумме сопротивлений участок AB, BC и CD.
Первый участок состоит из 3 параллельно соединенных ветвей. Верхняя и нижняя ветви являются последовательными соединениями 2 резисторов. Центральная ветвь состоит из одного резистора R.
Второй участок состоит из одного резистора R.
Третий участок состоит из 2 параллельно соединенных ветвей.
Тогда общее сопротивление равно сумме сопротивлений найденных участков.
Численное значение общего сопротивления равно
Приложения:

roma96460:
Спасибо, выручил!
Вас заинтересует
2 года назад
2 года назад
2 года назад
2 года назад
8 лет назад
9 лет назад