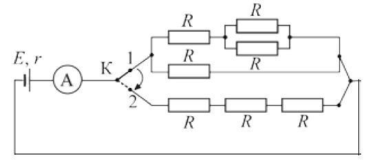
На рисунке изображена схема электрической цепи, состоящей из источника постоянного напряжения с ЭДС 4 В и внутренним сопротивлением 2 Ом,идеального амперметра, одинаковых резисторов с сопротивлением 2 Ом каждый, соединительных проводов и ключа К. В некоторый момент времени ключ переводят из положения 1 в положение 2. Определите отношение показаний амперметра в первом и во втором случае.
Приложения:

Ответы
Ответ дал:
0
Ответ:
I₁/I₂=1,25/0,5=2,5 раз.
Объяснение:
1.
Параллельное соединение 2-х
одинаковых резисторов:
R2=R3=2 Ом =>
R(2,3)=R2/2=R3/2=2/2=1 Ом.
Последовательное соединение:
R(1-3)=R1+R(2,3)=2+1=3 Ом.
Эквивалентное сопротивление резисторов,
параллельное соединение:
Rэ={R4*R(1-3)}:{R4+R(1-3)}=(2*3):(2+3)=1,2 Ом.
Полное сопротивление цепи,
последовательное соединение:
Rобщ=Rэ+r=1,2+2=3,2 Ом.
Сила тока в цепи:
I₁=ℰ/Rобщ=4:3,2=1,25 A.
2.
Полное сопротивление цепи,
последовательное соединение:
Rобщ=R5+R6+R7+r=2*4=8 Ом.
Сила тока в цепи:
I₂=ℰ/Rобщ=4/8=0,5 A.
---
Отношение токов:
I₁/I₂=1,25/0,5=2,5 раз.
Приложения:

Вас заинтересует
2 года назад
2 года назад
3 года назад
3 года назад
8 лет назад
8 лет назад