выберите любую деталь и сделайте 3 проекции, пожалуйста помогите!!
даю 50 баллов, пожалуйста помогите
Приложения:
Ответы
Ответ дал:
1
Ответ:
Объяснение:
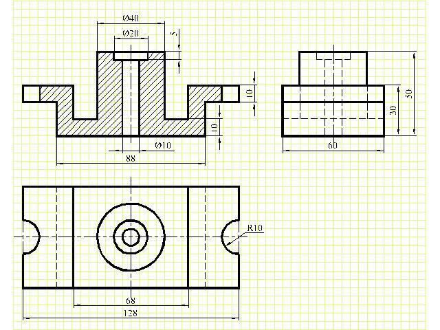
Выполнила две детали б и г
Для детали б необходимо сделать фронтальный разрез (если Вы изучали эту тему) - см. второй чертеж.
Приложения:
Вас заинтересует
2 года назад
2 года назад
3 года назад
3 года назад
9 лет назад
9 лет назад
10 лет назад