• Предмет: Математика
  • Автор: jdksjdjfifkk
  • Вопрос задан 8 лет назад

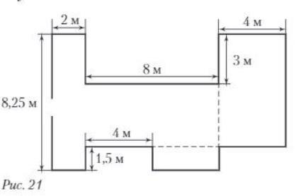
земельный участок имеет форму многоугольника как на рисунке.Найдите периметр этого участка.ПОМОГИТЕ СРОЧНО!!!!ДАЮ 35 БАЛЛОВ

Приложения:

Ответы

Ответ дал: zinovicgrigorij
0

Ответ: 53,5м

Пошаговое объяснение:

Р=8,25+2+3+8+3+4+(8,25-1,5)+4+1,5+(8-4)+1,5+4+1,5+2=53,5м

Вас заинтересует