• Предмет: Математика
  • Автор: jfjsofjdisoffk
  • Вопрос задан 8 лет назад

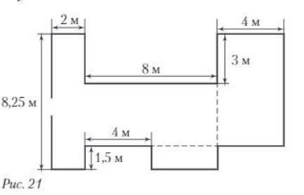
земельный участок имеет форму многоугольника как на рисунке.Найдите периметр этого участка.ПОМОГИТЕ СРОЧНО!!!!ДАЮ 35 БАЛЛОВ

Приложения:

Ответы

Ответ дал: xacku2020
1

Ответ:

53,5 м

Пошаговое объяснение:

периметр= сумме всех сторон

начнем складывать от точки где написано рис 21 , по часовой стрелке.

8,25+2+3+8+3+4+(8,25-1,5)+4+1,5+(8-4)+1,5+4+1,5+2=53,5 м

Приложения:

jfjsofjdisoffk: а зачем 8,25 отнимать от 1,5 ? и 8-4?
Ответ дал: Sserikbaev
0

Ответ:

периметр это сумма всех сторон

Р=8,25+2+3+8+3+4+(8,25-1,5)+4+1,5+(8-4)+1,5+4+1,5+2=53,5(м)

Вас заинтересует