• Предмет: Физика
  • Автор: Poi385
  • Вопрос задан 8 лет назад

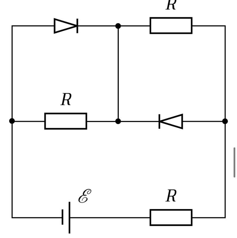
Определите источник с ЭДС =4,5В в цепи, схема которой изображена на рисунке. Диоды идеальные, R=150 Oм . Внутренним сопротивлением батареи можно пренебречь. Ответ выразите в миллиамперах

Приложения:

Ответы

Ответ дал: Zoih
0

Ответ:

Rоб=R²/2R

I=U/R

I=2RU/R²

I=2×150Ом×4,5В/150²

I=0,06А=60мА

Объяснение:


Poi385: Не верно
Yesgirl: Мой ответ I=15mA
Yesgirl: многоэтажная ф-ла ни к чему.
Poi385: Спасибо большое❤️
Вас заинтересует