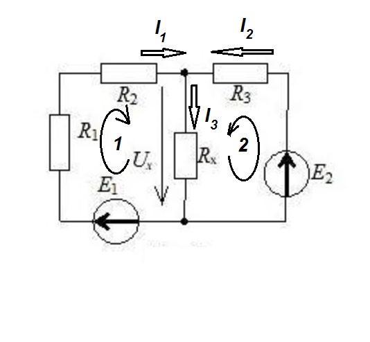
Определите напряжение Ux, если R1= 1 Ом, R2= 3 Ом, R3= 4 Ом, Rx = 4 Ом, E1 = 3 В, Е2 = 6 В.
Приложения:

Ответы
Ответ дал:
0
Ответ:
Объяснение:
Запишем законы Кирхгофа:
I₁ + I₂ - I₃ = 0
(R₁+R₂)·I₁ + R₃·I₃ = E₁
R₃·I₂ + Rₓ·I₃ = E₂
Получили систему уравнений:
I₁ + I₂ - I₃ = 0
4·I₁ + 4·I₃ = 3
4·I₂ + 4·I₃ = 6
Решим эту систему уравнений:
I₁ = 0,6 А
I₂ = 1,2 A
I₃ = 1,8 A
Тогда:
Uₓ = Rₓ·I₃ = 4·1,8 = 7,2 В
Приложения:

d833cunka:
Почему при поставлении сил тока в формулу (R₁+R₂)·I₁ + R₃·I₃ = E₁ не сходится ответ?
Вас заинтересует
2 года назад
2 года назад
3 года назад
3 года назад
9 лет назад