Помогите пожалуйста построить через систему координат в начертательной геометрии
Приложения:

dnepr1:
Так а почему сам не можешь выполнить задание? Система координат понятна?
Ответы
Ответ дал:
0
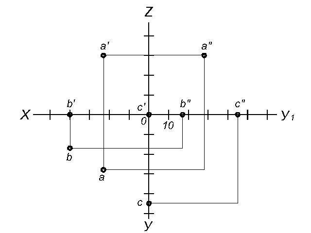
Дано построение проекций точек А, В и С.
На отрицательные координаты не обращать внимание - это так показывает программа GeoGebra.
Приложения:

Ответ дал:
0
Ответ:
Объяснение:
+++++++++++++++++++++++++++++
Приложения:


Вас заинтересует
2 года назад
3 года назад
3 года назад
8 лет назад
8 лет назад
9 лет назад