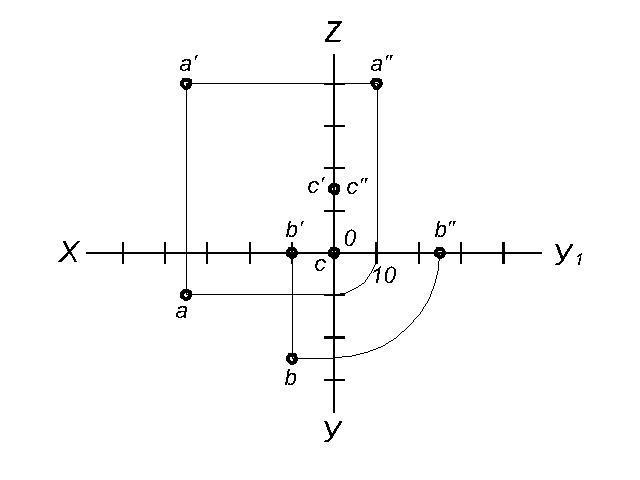
Построить точки по координатам (инженерная графика)
А(35,10,40) Б(10,25,0)
С(0,0,15)
В двух плоскостях
Ответы
Ответ дал:
3
Ответ:
Объяснение:
++++++++++++++++++++++++++
Приложения:
lesyak35:
Поможешь с другими заданиями по инженерной графике?Буду очень признательнаИх уже загрузила сюда
Букса,привет!У тебя как с прямоугольной изометрией?Сможешь помочь с последним чертежем,который я загрузила?Пожалуйста
Вас заинтересует
2 года назад
9 лет назад
9 лет назад