• Предмет: Физика
  • Автор: Moxem2
  • Вопрос задан 7 лет назад

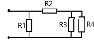
Дана схема рассчитайте суммарное сопротивление
R1=10 Ом.
R2=15 Ом.
R3=10 Ом.
R4=20 Ом

Приложения:

Ответы

Ответ дал: zinovicgrigorij
1

Ответ: 6,84 Ом

Объяснение:

Rэкв(3;4)=R3*R4(R3+R4)=10*20/(10+20)=6,67 Ом

Rэкв(2;3;4)=R2+Rэкв(2;3)=15+6,67=21,67 Ом

Rэкв=R1*Rэкв(2;3;4)/(R1+Rэкв(2;3;4))=10*21,67/(10+21,67)=216,7/31,67=

6,84 Ом

Вас заинтересует