Задача по эл тех
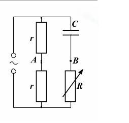
К источнику переменного напряжения с
амплитудой колебаний напряжения Um
подключена электрическая цепь, представленная
на схеме. Как зависит амплитуда колебаний
напряжения между точками А и В от
сопротивления резистора R?
Приложения:

Ответы
Ответ дал:
1
На рисунке приведена мостовая схема соединения элементов.
При равенстве сопротивлений r= C и r = R напряжения на участках будут одинаковыми, поэтому точки A u B будут иметь одинаковые потенциалы.
При изменении сопротивления R между точками А и В возникнет разность напряжений.
Для такой схемы соединения характерной особенностью является отсутствие разности напряжений между точками А и В при выполнении равенства r*R = r*C.
Для данной схемы это равносильно R = C.
При использовании конденсатора в одном их плеч моста возникает сдвиг фазы напряжения между точками А и В.
Вас заинтересует
2 года назад
2 года назад
3 года назад
8 лет назад
9 лет назад
9 лет назад