Черчение.Проекции.Задание на картинке. Заранее спасибо!​​​

Приложения:

Ответы

Ответ дал: Букса
1

Ответ:

Объяснение:

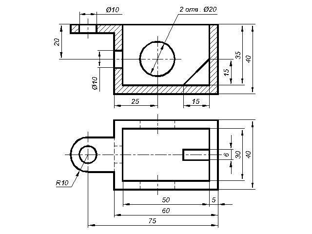
Обозначать разрез не нужно, т.к. выполнен по оси симметрии.

Обратите внимание: ребро (треугольник внутри детали) оставляем незаштрихованным, т.к. это тонкая стенка и секущая плоскость направлена вдоль оси длинной стороны данного треугольника.

Приложения:

Demanaize: огромнейшее спасибо вам!
Букса: Удачи!!!
Вас заинтересует