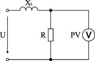
Для схемы определить показания вольтметра, если задано:U=95 XL=10 R=4
Cо всеми пояснениями
Найти UR=? XC=0
Приложения:
Ответы
Ответ дал:
0
Ответ:
Объяснение:
Сопротивление цепи:
Z = √ (R² + XL²) = √ (4² + 10²) ≈ 10,8 Ом
Сила тока:
I = U / Z = 95 / 10,8 ≈ 8,8 А
Напряжение:
UR = I·R = 8,8·4 = 35 В
Вас заинтересует
2 года назад
2 года назад
3 года назад
3 года назад
9 лет назад
9 лет назад
10 лет назад
10 лет назад