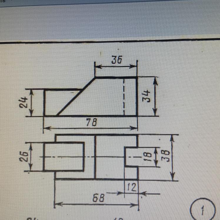
Помогите, пожалуйста. Из этого нужно сделать фигуру. Ещё надо было сделать третью проекцию, но она у меня уже есть. Осталось сделать фигуру.
Приложения:
Ответы
Ответ дал:
1
Ответ:
Объяснение:
Прямоугольная изометрия
Приложения:
memasiki2003:
Прекрасно, спасибо большое!
Удачи!
Вас заинтересует
2 года назад
2 года назад
3 года назад
3 года назад
9 лет назад
9 лет назад