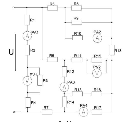
общие сопротивление,общий ток и мощность
R1=65
R2=22
R3=0
R4=71
R5=∞
R6=15
R7=12
R8=15
R9=70
R10=∞
R11=87
R12=71
R13=64
R14=23
R15=35
R16=35
R17=39
R18=0
U=220
Приложения:

Ответы
Ответ дал:
1
Ответ:
Объяснение:
Rобщ = (R1234*R56789101112131415161718) / (R1234+R56789101112131415161718) =
= (R1+R2+R4)*(R6+R11121314151617+R7) / (R1+R2+R4+R6+R11121314151617+R7)
здесь две параллельных ветви
через R5 R10 ток не идет там сопротивление бесконечно велико
R3 R18 работает как проводник сопротивление равно нулю
Вас заинтересует
2 года назад
2 года назад
3 года назад
3 года назад
8 лет назад
8 лет назад