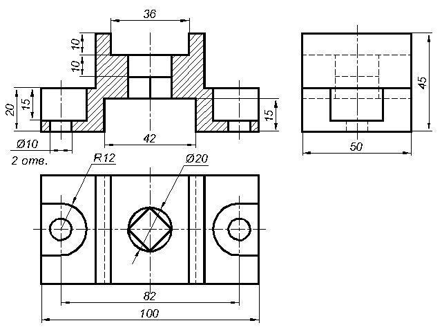
по двум заданным построить третий вид, выполнить необходимые разреры и построить аксонометрическую проекцию с вырезом передней четверти детали
Приложения:

Ответы
Ответ дал:
0
Ответ:
Объяснение:
На первом чертеже выполнила фронтальный разрез (для этой детали этого достаточно).
На втором чертеже вид слева заменила профильным разрезом (на всякий случай).
Приложения:





Вас заинтересует
2 года назад
2 года назад
3 года назад
8 лет назад
9 лет назад
9 лет назад